ST202HS不锈钢底盒交流式大圆头离子风蛇嘴
ST202HS不锈钢底盒交流式大圆头离子风蛇嘴

产品特点:
1、中和静电迅速,静电除尘效果佳
2、离子气流覆盖面积大,体积小巧,利于安装
3、风嘴有良好的接地保护功能
4、可万向调节方向,方便使用
5、需配备思帝克 ST401A 高压发生器一体使用

技术参数
型号 | ST202HS |
离子产生方式 | 交流式 |
放电针材质 | 钨钢 |
主机材质 | ABS防火工程塑料 |
离子平衡度 | ﹥±100V |
空气离子供给范围 | 8cm~15cm |
空气输入管 | 内径Φ8风管 |
机体尺寸 | 570(L)×30(W)×80(H) 标准电揽线长2.5M |
附属品 | 说明书 / 保修卡 / 合格证 |
性能 | 除静电时间<1.5S |
空气消耗 | 0.09m³/min |
噪音 | 56DB |
臭氧产生量 | <0.02ppm以下(距离200mm测定距离) |
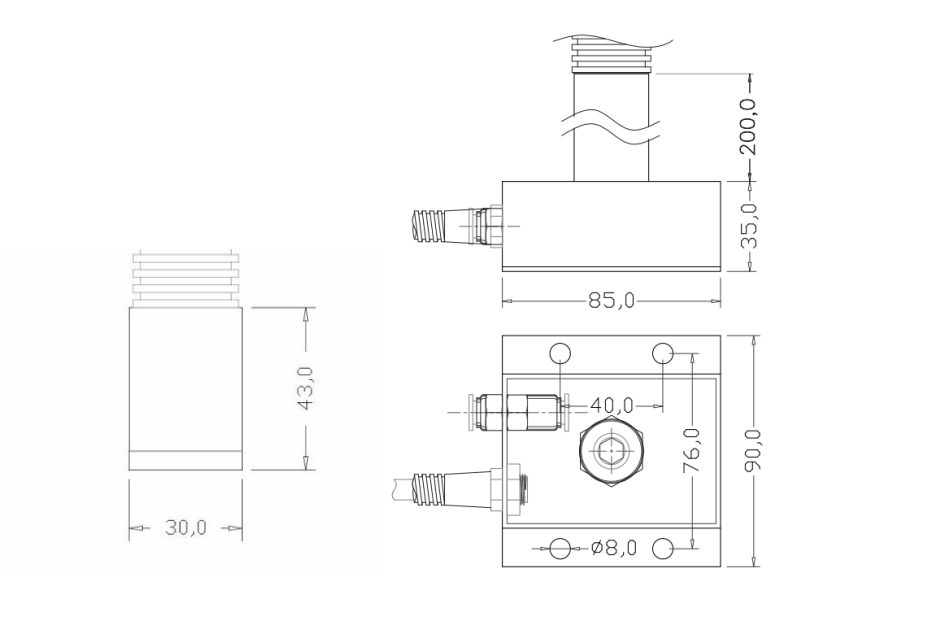
产品尺寸





